

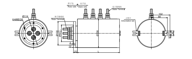
型號訂購說明:

| 技術規格參數 | ||||
| 機械技術指標 | 電氣技術指標 | |||
| 參數 | 數值 | 參數 | 數值 | |
| 工作壽命 | 2000萬轉 | 功率 | 信號 | |
| 額定轉速 | 250RPM | 額定電壓 | 0~690VAC/VDC | 0~440VAC/VDC |
| 工作溫度 | -30℃~80℃ | 絕緣電阻 | ≥1000MΩ/500VDC | ≥1000MΩ/500VDC |
| 工作濕度 | 0~85% RH | 導線規格 | 接線柱 | 接線柱 |
| 接觸材料 | 鍍金-鍍金 | 導線長度 | 標準長度300mm(可據要求調整) | |
| 殼體材料 | 鋁合金 | 絕緣強度 | 500VAC@50Hz,60s | |
| 扭矩 | 0.1N.m;+0.03N.m/6路 | 動態電阻變化值 | <0.01Ω | |
| 防護等級 | IP51 | |||
選型表
| MW5158系列(接線柱)功率滑環選型表 | |||||||
| 型號 | 50A | 100A | 150A | 200A | 250A | 500A | 長度L(mm) |
| MW5158-P01200 | 0 | 0 | 0 | 1 | 0 | 0 | 96 |
| MW5158-P01300 | 0 | 0 | 0 | 0 | 1 | 0 | 96 |
| MW5158-P01500 | 0 | 0 | 0 | 0 | 0 | 1 | 96 |
| MW5158-P02200 | 0 | 0 | 0 | 2 | 0 | 0 | 170 |
| MW5158-P02300 | 0 | 0 | 0 | 0 | 2 | 0 | 170 |
| MW5158-P02500 | 0 | 0 | 0 | 0 | 0 | 2 | 210 |
| MW5158-P03200 | 0 | 0 | 0 | 3 | 0 | 0 | 220 |
| MW5158-P03300 | 0 | 0 | 0 | 0 | 3 | 0 | 220 |
| MW5158-P03500 | 0 | 0 | 0 | 0 | 0 | 3 | 280 |
| MW5158-P04200 | 0 | 0 | 0 | 4 | 0 | 0 | 270 |
| MW5158-P04300 | 0 | 0 | 0 | 0 | 4 | 0 | 270 |
| MW5158-P04500 | 0 | 0 | 0 | 0 | 0 | 4 | 350 |
注:N個50A 電流環并起來可作為1路N*50A電流環使用;比如: 2環50A 并起來做作為 1路100A 使用。
可根據客戶要求,可定制1000A-7500A的大電流,詳情請咨詢客服。
標準圖紙