

型號訂購說明:

| 技術規格參數 | |||
| 機械技術指標 | 電氣技術指標 | ||
| 參數 | 數值 | 參數 | 數值 |
| 工作壽命 | 1000萬轉 | 功率 | |
| 額定轉速 | 150RPM | 額定電壓 | 0~600VAC/VDC |
| 工作溫度 | -30℃~80℃ | 絕緣電阻 | ≥1000MΩ/500VDC |
| 工作濕度 | 0~85% RH | 導線規格 | 10A=AWG#16;20A=AWG#14;30A=AWG#12; |
| 接觸材料 | 貴金屬 | 導線長度 | 標準長度300mm(可據要求調整) |
| 殼體材料 | PBT | 絕緣強度 | 500VAC@50Hz,60s |
| 扭矩 | 0.1N.m;+0.03N.m/6路 | 動態電阻變化值 | <0.01Ω |
| 防護等級 | IP51 | ||
選型表
| MW1000系列滑環選型表 | |||||||||
| 型號 | 總環數 | 每環額定電流(A) | 外徑(mm) | 長度L(mm) | 型號 | 總環數 | 每環額定電流(A) | 外徑(mm) | 長度L(mm) |
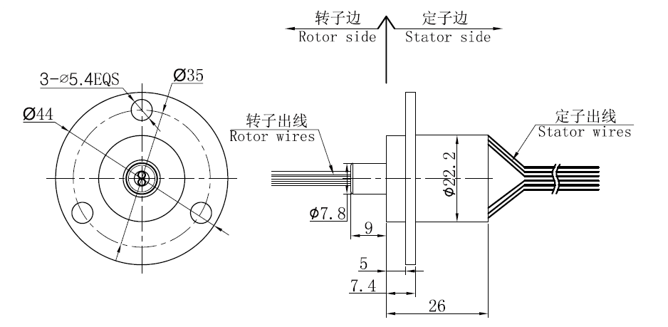
| MW1210 | 2 | 10A | 22 | 26 | MW1620 | 6 | 20A | 30 | 65.7 |
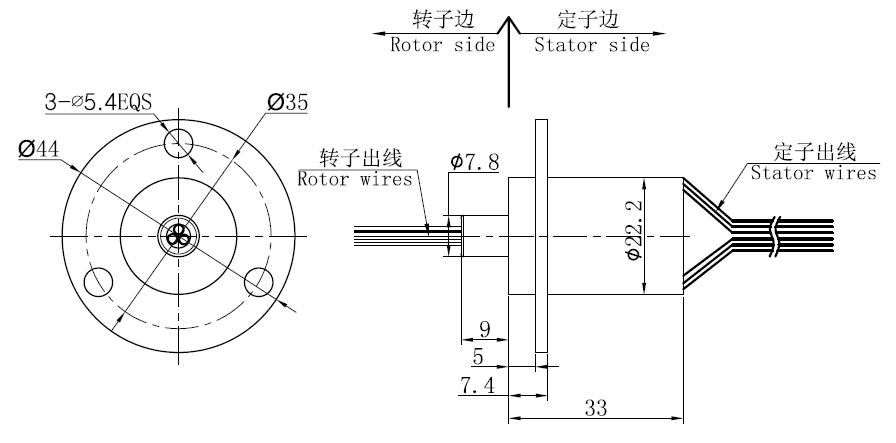
| MW1310 | 3 | 10A | 22 | 33 | MW1230 | 2 | 30A | 22 | 47 |
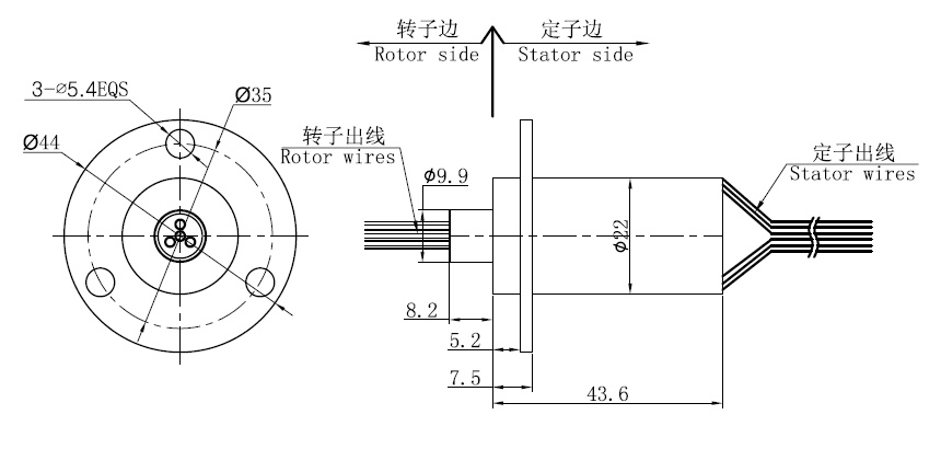
| MW1410 | 4 | 10A | 22 | 43.6 | MW1330 | 3 | 30A | 22 | 47 |
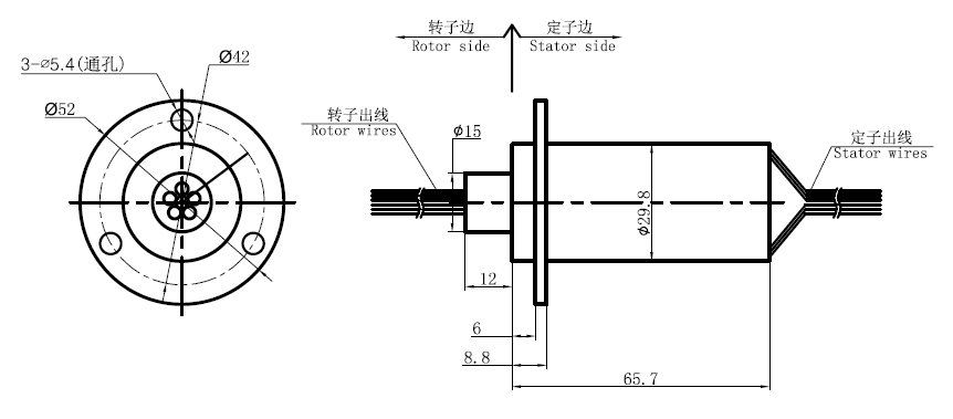
| MW1610 | 6 | 10A | 30 | 65.7 | MW1430 | 4 | 30A | 30 | 65.7 |
| MW1215 | 2 | 15A | 22 | 47 | MW1630 | 6 | 30A | 30 | 65.7 |
| MW1315 | 3 | 15A | 22 | 47 | MW1240 | 2 | 40A | 30 | 65.7 |
| MW1415 | 4 | 15A | 30 | 65.7 | MW1340 | 3 | 40A | 30 | 65.7 |
| MW1615 | 6 | 15A | 30 | 65.7 | MW1810 | 8 | 10A | 30 | 78 |
| MW1220 | 2 | 20A | 22 | 47 | MW1101 | 10 | 10A | 30 | 78 |
| MW1320 | 3 | 20A | 22 | 47 | MW1121 | 12 | 10A | 30 | 78 |
| MW1420 | 4 | 20A | 30 | 65.7 | |||||
注:N個10A 電流環并起來可作為1路N*10A電流環使用;比如: 2環10A 并起來做作為 1路20A 使用。
標準圖紙
| 各環路導線色碼表 | |||
| 環道 | 顏色 | 環道 | 顏色 |
| 1 | 黑 | 4 | 綠 |
| 2 | 紅 | 5 | 藍 |
| 3 | 黃 | 6 | 白 |
(6個顏色為一組,分別序號1...6, 下一組從7...12, 重復前6個顏色, 每組用號碼管作為組序號標識。)