
| 技術規格參數 | ||||
| USB部分技術指標 | 機械技術指標 | |||
| 參數 | 數值 | 參數 | 數值 | |
| USB | USB1.0,USB2.0 | 工作壽命 | 2000萬轉 | |
| 接頭 | USB TYPE-A 母頭 | 額定轉速 | 600RPM | |
| 誤碼率BER | 10E-11 | 工作溫度 | -30℃~80℃ | |
| 電氣技術指標 | 工作濕度 | 0~85% RH | ||
| 參數 | 數值 | 接觸材料 | 金合金 | |
| 功率 | 信號 | 殼體材料 | 鋁合金 | |
| 額定電壓 | 0~440VAC/VDC | 0~440VAC/VDC | 扭矩 | 0.1N.m;+0.03N.m/6路 |
| 絕緣電阻 | ≥1000MΩ/500VDC | ≥1000MΩ/500VDC | 防護等級 | IP51 |
| 導線規格 | AWG16#Teflon | AWG22#Teflon | ||
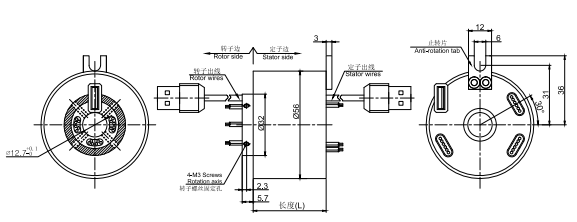
| 導線長度 | 標準長度300mm(可據要求調整) | |||
| 絕緣強度 | 500VAC@50Hz,60s | |||
| 動態電阻變化值 | <0.01Ω | |||
選型表
| MUSB2121 1 通道USB滑環系列選型表 | |||||
| 型號 | USB通道 | 10A | 20A | 信號或5A | 長度L(mm) |
| MUSB2121-S02 | 1 | 0 | 0 | 2 | 38 |
| MUSB2121-P0210 | 1 | 2 | 0 | 0 | 38 |
| MUSB2121-P0420 | 1 | 0 | 4 | 0 | 54.8 |
| MUSB2121-S08 | 1 | 0 | 0 | 8 | 54.8 |
| MUSB2121-P0210-S06 | 1 | 2 | 0 | 6 | 54.8 |
| MUSB2121-P0610-S02 | 1 | 6 | 0 | 2 | 54.8 |
| MUSB2121-S14 | 1 | 0 | 0 | 14 | 71.6 |
| MUSB2121-P1410 | 1 | 14 | 0 | 0 | 71.6 |
| MUSB2121-P0410-S10 | 1 | 4 | 0 | 10 | 71.6 |
| MUSB2121-P0810-S06 | 1 | 8 | 0 | 6 | 71.6 |
| MUSB2121-S20 | 1 | 0 | 0 | 20 | 88.4 |
| MUSB2121-S26 | 1 | 0 | 0 | 26 | 105.2 |
| MUSB2121-S32 | 1 | 0 | 0 | 32 | 122 |
Note:1)N個10A 電流環并起來可作為1路N*10A電流環使用;比如: 2環10A 并起來做作為 1路20A 使用。
2)10A,20A,5A可根據自己的需要任何組合,需要2路以上網線請聯系客服
標準圖紙