

型號訂購說明:

| 產品等級選型表 | |||
| 產品等級代號 | 最高轉速 | 工作壽命 | 接觸材料 |
| VC | 150RPM | 1500萬轉 | 貴金屬 |
| VD | 1000RPM | 6000萬轉 | 金合金 |
| 技術規格參數 | ||||
| 機械技術指標 | 電氣技術指標 | |||
| 參數 | 數值 | 參數 | 數值 | |
| 工作壽命 | 參考產品選型等級 | 功率 | 信號 | |
| 額定轉速 | 參考產品選型等級 | 額定電壓 | 0~440VAC/VDC | 0~440VAC/VDC |
| 工作溫度 | -30℃~80℃ | 絕緣電阻 | ≥1000MΩ/500VDC | ≥1000MΩ/500VDC |
| 工作濕度 | 0~85% RH | 導線規格 | 動力線AWG#16 | 6芯屏蔽電纜或AWG#22 |
| 接觸材料 | 參考產品選型等級 | 導線長度 | 標準長度300mm(可據要求調整) | |
| 殼體材料 | 鋁合金 | 絕緣強度 | 500VAC@50Hz,60s | |
| 扭矩 | 0.1N.m;+0.03N.m/6路 | 動態電阻變化值 | <0.01Ω | |
| 防護等級 | IP51 | |||
選型表
| MSE2025 系列-伺服電機編碼器滑環選型表 | |||||
| 型號 | 動力電纜(4芯,每芯10A) | 編碼器控制電纜(6芯帶屏蔽) | 信號或5A | 20A | 長度L(mm) |
| MSE2025-01 | 1 | 1 | 0 | 0 | 65.6 |
| MSE2025-01-S06 | 1 | 1 | 6 | 0 | 86 |
| MSE2025-01-S12 | 1 | 1 | 12 | 0 | 106.4 |
| MSE2025-01-S18 | 1 | 1 | 18 | 0 | 126.8 |
| MSE2025-01-S24 | 1 | 1 | 24 | 0 | 147.2 |
| MSE2025-01-P0620-S12 | 1 | 1 | 12 | 6 | 147.2 |
| MSE2025-01-S36 | 1 | 1 | 36 | 0 | 191 |
| MSE2025-02 | 2 | 2 | 0 | 0 | 106.4 |
| MSE2025-02-S06 | 2 | 2 | 6 | 0 | 126.8 |
| MSE2025-02-S12 | 2 | 2 | 12 | 0 | 147.2 |
| MSE2025-02-S18 | 2 | 2 | 18 | 0 | 167.6 |
| MSE2025-02-S24 | 2 | 2 | 24 | 0 | 191 |
| MSE2025-02-P0620-S12 | 2 | 2 | 12 | 6 | 191 |
| MSE2025-02-S36 | 2 | 2 | 36 | 0 | 231.8 |
| MSE2025-03 | 3 | 3 | 0 | 0 | 147.2 |
| MSE2025-03-S06 | 3 | 3 | 6 | 0 | 167.6 |
| MSE2025-03-S12 | 3 | 3 | 12 | 0 | 191 |
| MSE2025-03-S18 | 3 | 3 | 18 | 0 | 211.4 |
| MSE2025-03-S24 | 3 | 3 | 24 | 0 | 231.8 |
| MSE2025-03-P0620-S12 | 3 | 3 | 12 | 6 | 231.8 |
| MSE2025-03-S36 | 3 | 3 | 36 | 0 | 275.6 |
| MSE2025-04 | 4 | 4 | 0 | 0 | 191 |
| MSE2025-04-S06 | 4 | 4 | 6 | 0 | 221.4 |
| MSE2025-04-S12 | 4 | 4 | 12 | 0 | 231.8 |
| MSE2025-04-S18 | 4 | 4 | 18 | 0 | 262.2 |
| MSE2025-04-S24 | 4 | 4 | 24 | 0 | 275.6 |
| MSE2025-04-P0620-S12 | 4 | 4 | 12 | 6 | 275.6 |
| MSE2025-04-S36 | 4 | 4 | 36 | 0 | 316.4 |
注:N個5A 電流環并起來可作為1路N*5A電流環使用;比如: 2環5A 并起來做作為 1路10A 使用。
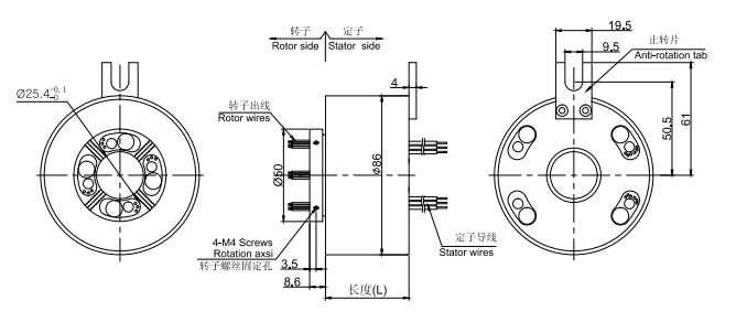
標準圖紙
| 各環路導線色碼表 | |||
| 環道 | 顏色 | 環道 | 顏色 |
| 1 | 黑 | 7 | 黑 |
| 2 | 紅 | 8 | 紅 |
| 3 | 黃 | 9 | 黃 |
| 4 | 綠 | 10 | 綠 |
| 5 | 藍 | 11 | 藍 |
| 6 | 白 | 12 | 白 |
(6個顏色為一組,分別序號1...6, 下一組從7...12, 重復前6個顏色, 每組用號碼管作為組序號標識。)