
| 產品等級選型表 | |||
| 產品等級代號 | 最高轉速 | 工作壽命 | 接觸材料 |
| VC | 60RPM | 300萬轉 | 貴金屬 |
| VD | 200RPM | 1000萬轉 | 鍍金-鍍金 |
| 技術規格參數 | ||||
| 機械技術指標 | 電氣技術指標 | |||
| 參數 | 數值 | 參數 | 數值 | |
| 工作壽命 | 參考產品選型等級 | 功率 | 信號 | |
| 額定轉速 | 參考產品選型等級 | 額定電壓 | 0~440VAC/VDC | 0~240VAC/VDC |
| 工作溫度 | -30℃~80℃ | 絕緣電阻 | ≥1000MΩ/500VDC | ≥1000MΩ/500VDC |
| 工作濕度 | 0~85% RH | 導線規格 | AWG16#Teflon | AWG22#Teflon |
| 接觸材料 | 參考產品選型等級 | 導線長度 | 標準長度300mm(可據要求調整) | |
| 殼體材料 | 鋁合金 | 絕緣強度 | 500VAC@50Hz,60s | |
| 扭矩 | 0.05N.m;+0.03N.m/6路 | 動態電阻變化值 | <0.01Ω | |
| 防護等級 | IP51 | |||
選型表
| MP210 扁平盤式滑環選型表 | ||||
| 型號 | 信號或5A | 10A | 20A | 外徑Φ D(mm) |
| MP210-S02 | 2 | 0 | 0 | 76 |
| MP210-P0210 | 0 | 2 | 0 | 76 |
| MP210-P0210-S02 | 2 | 2 | 0 | 92 |
| MP210-P0410 | 0 | 4 | 0 | 92 |
| MP210-S06 | 6 | 0 | 0 | 108 |
| MP210-P0610 | 0 | 6 | 0 | 108 |
| MP210-P0620 | 0 | 0 | 6 | 108 |
| MP210-P0210-S04 | 4 | 2 | 0 | 108 |
| MP210-S12 | 12 | 0 | 0 | 156 |
| MP210-P1210 | 0 | 12 | 0 | 156 |
| MP210-P1220 | 0 | 0 | 12 | 156 |
| MP210-P0610-S06 | 6 | 6 | 0 | 156 |
| MP210-P0620-S06 | 6 | 0 | 6 | 156 |
| MP210-S18 | 18 | 0 | 0 | 204 |
| MP210-P1810 | 0 | 18 | 0 | 204 |
| MP210-P0610-S12 | 12 | 6 | 0 | 204 |
| MP210-P1210-S06 | 6 | 12 | 0 | 204 |
| MP210-P0810-S10 | 10 | 8 | 0 | 204 |
| MP210-S24 | 24 | 0 | 0 | 252 |
| MP210-P2410 | 0 | 24 | 0 | 252 |
| MP210-P0610-S18 | 6 | 18 | 0 | 252 |
| MP210-P1210-S12 | 12 | 12 | 0 | 252 |
注:N個10A 電流環并起來可作為1路N*10A電流環使用;比如: 2環10A 并起來做作為 1路20A 使用。
10A和信號(5A) 可以任意組合,詳細請咨詢客服。可在標準產品上進行非標定制,請咨詢客服。
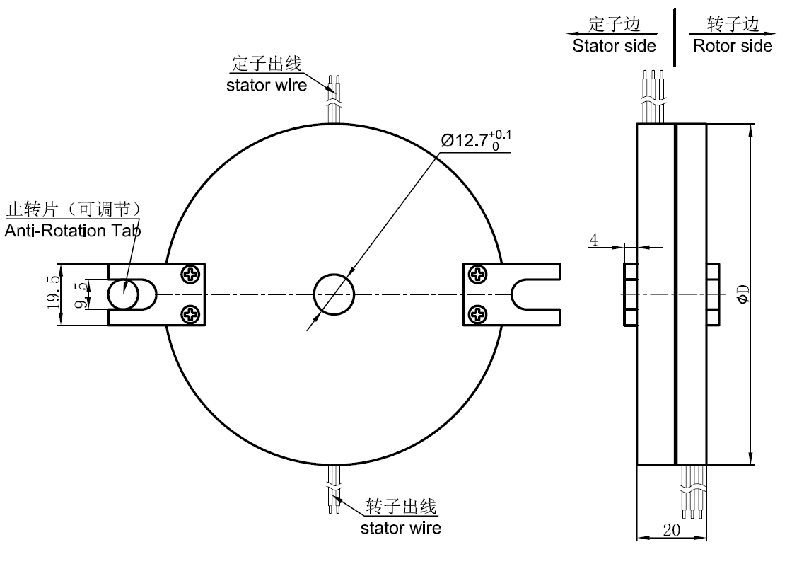
標準圖紙