
MJ4030 旋轉接頭,支持3通道氣動或者液壓傳輸
傳輸介質:壓縮空氣,氫氣,氮氣,化學混合氣體,蒸汽,冷卻水,熱水,熱油,石油,硫酸,飲料等
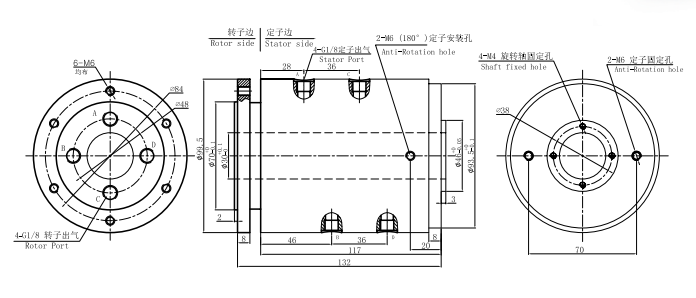
接口尺寸:M5,G1/8,G1/4,G3/8,G1/2,G3/4,G1"
可根據客戶的要求定制安裝尺寸,法蘭以及其他特殊的結構

| 產品等級選型表 | |||
| 產品等級代號 | 最高轉速 | 工作壽命 | 密封件 |
| VC | 100RPM | 1000萬轉 | 國內知名品牌密封件 |
| VD | 300RPM | 3000萬轉 | 進口密封件 |
| 技術規格參數 | |
| 旋轉接頭部分技術指標 | |
| 參數 | 數值 |
| 通道數 | 4進4出 |
| 最大壓力 | 10MPa(可定制高壓),真空0.01torr |
| 扭矩 | 與接口尺寸相關,詳見選型表 |
選型表
| MJ4030氣/液滑環選型表 | ||||
| 型號 | 通道數 | 扭矩(N.M) | 接口尺寸 | ID |
| MJ4030-02 | 4進4出 | 6 | G1/8 | 30mm |
| MJ4030-03 | 4進4出 | 7 | G1/4 | 30mm |
標準圖紙