

型號訂購說明:

| 產品等級選型表 | |||
| 產品等級代號 | 最高轉速 | 工作壽命 | 接觸材料 |
| VC | 150RPM | 1500萬轉 | 貴金屬 |
| VD | 600RPM | 8000萬轉 | 金合金 |
| 技術規格參數 | ||||
| 機械技術指標 | 電氣技術指標 | |||
| 參數 | 數值 | 參數 | 數值 | |
| 工作壽命 | 參考產品選型等級 | 功率 | 信號 | |
| 額定轉速 | 參考產品選型等級 | 額定電壓 | 0~440VAC/VDC | 0~440VAC/VDC |
| 工作溫度 | -30℃~80℃ | 絕緣電阻 | ≥1000MΩ/500VDC | ≥1000MΩ/500VDC |
| 工作濕度 | 0~85% RH | 導線規格 | AWG16#Teflon | AWG22#Teflon |
| 接觸材料 | 參考產品選型等級 | 導線長度 | 標準長度300mm(可據要求調整) | |
| 殼體材料 | 鋁合金 | 絕緣強度 | 500VAC@50Hz,60s | |
| 扭矩 | 0.1N.m;+0.03N.m/6路 | 動態電阻變化值 | <0.01Ω | |
| 防護等級 | IP51 | |||
選型表
| MG056 系列滑環選型表 | |||||||
| 型號 | 10A | 信號或5A | 長度L(mm) | 型號 | 10A | 信號或5A | 長度L(mm) |
| MG056-S02 | 0 | 2 | 26.8 | MG056-P1010-S08 | 10 | 8 | 71.5 |
| MG056-P0210 | 2 | 0 | 26.8 | MG056-P1210-S06 | 12 | 6 | 71.5 |
| MG056-S03 | 0 | 3 | 29.6 | MG056-P1410-S04 | 14 | 4 | 71.5 |
| MG056-P0310 | 3 | 0 | 29.6 | MG056-P1610-S02 | 16 | 2 | 71.5 |
| MG056-S06 | 0 | 6 | 38 | MG056-S24 | 0 | 24 | 88.4 |
| MG056-P0210-S04 | 2 | 4 | 38 | MG056-P0410-S20 | 4 | 20 | 88.4 |
| MG056-P0410-S02 | 4 | 2 | 38 | MG056-P0610-S18 | 6 | 18 | 88.4 |
| MG056-P0610 | 6 | 0 | 38 | MG056-P1210-S12 | 12 | 12 | 88.4 |
| MG056-S12 | 0 | 12 | 54.8 | MG056-P1810-S06 | 18 | 6 | 88.4 |
| MG056-P0210-S10 | 2 | 10 | 54.8 | MG056-P2410 | 24 | 0 | 88.4 |
| MG056-P0310-S09 | 3 | 9 | 54.8 | MG056-S30 | 0 | 30 | 105.2 |
| MG056-P0610-S06 | 6 | 6 | 54.8 | MG056-P0210-S28 | 2 | 28 | 105.2 |
| MG056-P0810-S04 | 8 | 4 | 54.8 | MG056-P0410-S26 | 4 | 26 | 105.2 |
| MG056-P1010-S02 | 10 | 2 | 54.8 | MG056-P0610-S24 | 6 | 24 | 105.2 |
| MG056-P1210 | 12 | 0 | 54.8 | MG056-S36 | 0 | 36 | 122 |
| MG056-S18 | 0 | 18 | 71.5 | MG056-P0410-S32 | 4 | 32 | 122 |
| MG056-P0210-S16 | 2 | 16 | 71.5 | MG056-P0610-S30 | 6 | 30 | 122 |
| MG056-P0410-S14 | 4 | 14 | 71.5 | MG056-S42 | 0 | 42 | 138.8 |
| MG056-P0610-S12 | 6 | 12 | 71.5 | MG056-P0410-S38 | 4 | 38 | 138.8 |
| MG056-P0810-S10 | 8 | 10 | 71.5 | MG056-S48 | 0 | 48 | 155.6 |
注:N個10A 電流環并起來可作為1路N*10A電流環使用;比如: 2環10A 并起來做作為 1路20A 使用。
10A和信號(5A) 可以任意組合,詳細請咨詢客服。可在標準產品上進行非標定制,請咨詢客服。
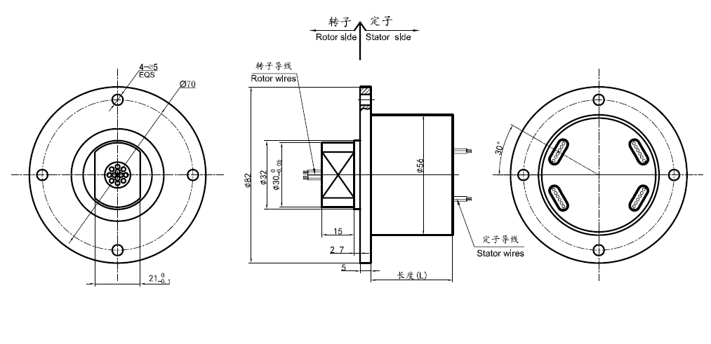
標準圖紙
| 各環路導線色碼表 | |||
| 環道 | 顏色 | 環道 | 顏色 |
| 1 | 黑 | 7 | 黑 |
| 2 | 紅 | 8 | 紅 |
| 3 | 黃 | 9 | 黃 |
| 4 | 綠 | 10 | 綠 |
| 5 | 藍 | 11 | 藍 |
| 6 | 白 | 12 | 白 |
(6個顏色為一組,分別序號1...6, 下一組從7...12, 重復前6個顏色, 每組用號碼管作為組序號標識。)