


| 產品等級選型表 | |||
| 產品等級代號 | 最高轉速 | 工作壽命 | 接觸材料 |
| VC | 150RPM | 2000萬轉 | 貴金屬 |
| VD | 600RPM | 8000萬轉 | 鍍金-鍍金 |
| 技術規格參數 | ||||
| 以太網部分技術指標 | 機械技術指標 | |||
| 參數 | 數值 | 參數 | 數值 | |
| 1000M以太網 | 1路1000M以太網 | 工作壽命 | 參考產品選型等級 | |
| 接頭 | RJ45 | 額定轉速 | 參考產品選型等級 | |
| 誤碼率BER | 10E-11 | 工作溫度 | -30℃~80℃ | |
| 電氣技術指標 | 工作濕度 | 0~85% RH | ||
| 參數 | 數值 | 接觸材料 | 參考產品選型等級 | |
| 功率 | 信號 | 殼體材料 | 鋁合金 | |
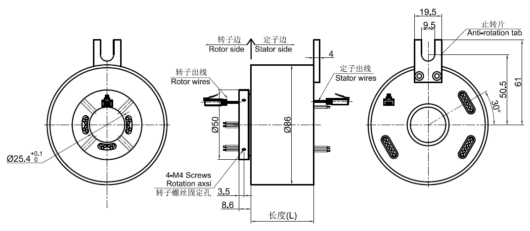
| 額定電壓 | 0~440VAC/VDC | 0~440VAC/VDC | 扭矩 | 0.1N.m, +0.03N.m/6 rings |
| 絕緣電阻 | ≥1000MΩ/500VDC | ≥1000MΩ/500VDC | 防護等級 | IP51 |
| 導線規格 | AWG16#Teflon/PVC/Silicon | AWG22#Teflon | ||
| 導線長度 | 標準長度300mm(可據要求調整) | |||
| 絕緣強度 | 500VAC@50Hz,60s | |||
| 動態電阻變化值 | <0.01Ω | |||
選型表
| ME2251 - 1通道以太網滑環系列選型表 | |||||||||||
| 型號 | 1000M以太網 | 10A | 20A | 信號或5A | 長度L(mm) | 型號 | 1000M以太網 | 10A | 20A | 信號或5A | 長度L(mm) |
| ME2251-S04 | 1 | 0 | 0 | 4 | 65.6 | ME2251-P0810-S08 | 1 | 8 | 0 | 8 | 106.4 |
| ME2251-P0410 | 1 | 4 | 0 | 0 | 65.6 | ME2251-S22 | 1 | 0 | 0 | 22 | 126.8 |
| ME2251-P0420 | 1 | 0 | 4 | 0 | 86 | ME2251-P0410-S18 | 1 | 4 | 0 | 18 | 126.8 |
| ME2251-S10 | 1 | 0 | 0 | 10 | 86 | ME2251-P2210 | 1 | 22 | 0 | 0 | 126.8 |
| ME2251-P0210-S08 | 1 | 2 | 0 | 8 | 86 | ME2251-P0610-S22 | 1 | 6 | 0 | 22 | 147.2 |
| ME2251-P0610-S04 | 1 | 6 | 0 | 4 | 86 | ME2251-P0610-S34 | 1 | 6 | 0 | 34 | 188 |
| ME2251-S16 | 1 | 0 | 0 | 16 | 106.4 | ME2251-S40 | 1 | 0 | 0 | 40 | 188 |
| ME2251-P1610 | 1 | 16 | 0 | 0 | 106.4 | ME2251-P0610-S40 | 1 | 6 | 0 | 40 | 208.4 |
| ME2251-P0410-S12 | 1 | 4 | 0 | 12 | 106.4 | ME2251-S46 | 1 | 0 | 0 | 46 | 208.4 |
Note:1) 10A,20A,5A可根據自己的需要任何組合,需要2路以上網線請聯系客服
2) 注:N個10A 電流環并起來可作為1路N*10A電流環使用;比如: 2環10A 并起來做作為 1路20A 使用。
標準圖紙