


| 產品等級選型表 | |||
| 產品等級代號 | 最高轉速 | 工作壽命 | 接觸材料 |
| VC | 150RPM | 2000萬轉 | 貴金屬 |
| VD | 600RPM | 8000萬轉 | 鍍金-鍍金 |
| 技術規格參數 | ||||
| 以太網部分技術指標 | 機械技術指標 | |||
| 參數 | 數值 | 參數 | 數值 | |
| 1000M以太網 | 2路1000M以太網 | 工作壽命 | 參考產品選型等級 | |
| 接頭 | RJ45 | 額定轉速 | 參考產品選型等級 | |
| 誤碼率BER | 10E-11 | 工作溫度 | -30℃~80℃ | |
| 電氣技術指標 | 工作濕度 | 0~85% RH | ||
| 參數 | 數值 | 接觸材料 | 參考產品選型等級 | |
| 功率 | 信號 | 殼體材料 | 鋁合金 | |
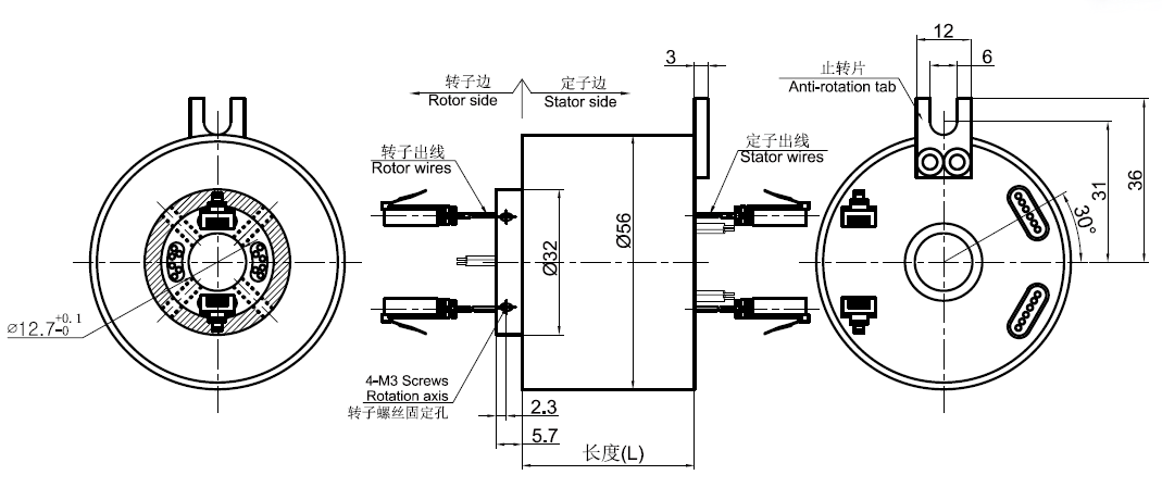
| 額定電壓 | 0~440VAC/VDC | 0~440VAC/VDC | 扭矩 | 0.1N.m, +0.03N.m/6 rings |
| 絕緣電阻 | ≥1000MΩ/500VDC | ≥1000MΩ/500VDC | 防護等級 | IP51 |
| 導線規格 | AWG16#Teflon | AWG22#Teflon | ||
| 導線長度 | 標準長度300mm(可據要求調整) | |||
| 絕緣強度 | 500VAC@50Hz,60s | |||
| 動態電阻變化值 | <0.01Ω | |||
選型表
| ME2122雙通道以太網滑環系列選型表 | |||||||||||
| 型號 | 1000M以太網 | 10A | 20A | 信號或5A | 長度L(mm) | 型號 | 1000M以太網 | 10A | 20A | 信號或5A | 長度L(mm) |
| ME2122-S02 | 2 | 0 | 0 | 2 | 70.5 | ME2122-S14 * | 2 | 0 | 0 | 14 | 105.2 |
| ME2122-P0210 | 2 | 2 | 0 | 0 | 70.5 | ME2122-P0610-S08 * | 2 | 6 | 0 | 8 | 105.2 |
| ME2122-P0420 | 2 | 0 | 4 | 0 | 88.4 | ME2122-S20 * | 1 | 0 | 0 | 20 | 122 |
| ME2122-S08 | 2 | 0 | 0 | 8 | 88.4 | ME2122-S26 * | 2 | 0 | 0 | 26 | 138.8 |
| ME2122-P0810 | 2 | 8 | 0 | 0 | 88.4 | ME2122-S32 * | 2 | 0 | 0 | 32 | 155.6 |
| ME2122-P0410-S04* | 2 | 4 | 0 | 4 | 88.4 | ||||||
Note:1) 帶*號的外形圖請聯系客服索取
2) 10A,20A,5A可根據自己的需要任何組合,需要2路以上網線請聯系客服
3) 注:N個10A 電流環并起來可作為1路N*10A電流環使用;比如: 2環10A 并起來做作為 1路20A 使用。
標準圖紙