型號訂購說明:

| 產品等級選型表 | |||
| 產品等級代號 | 最高轉速 | 工作壽命 | 接觸材料 |
| VC | 250RPM | 1500萬轉 | 貴金屬 |
| VD | 1000RPM | 8000萬轉 | 鍍金-鍍金 |
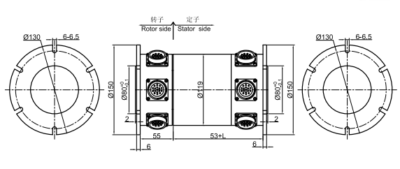
標準圖紙
選型表
| MD119 系列導電滑環選型表 | |||||||
| 型號 | 10A | 信號或5A | 長度L(mm) | 型號 | 10A | 信號或5A | 長度L(mm) |
| MD119-S02 | 0 | 2 | 36 | MD119-S36 | 0 | 36 | 165.2 |
| MD119-P0210 | 2 | 0 | 36 | MD119-P0610-S30 | 6 | 30 | 165.2 |
| MD119-S03 | 0 | 3 | 39.8 | MD119-P1210-S24 | 12 | 24 | 165.2 |
| MD119-P0310 | 3 | 0 | 39.8 | MD119-P3610 | 36 | 0 | 165.2 |
| MD119-S06 | 0 | 6 | 51.2 | MD119-S42 | 0 | 42 | 188 |
| MD119-P0210-S04 | 2 | 4 | 51.2 | MD119-P0610-S36 | 6 | 36 | 188 |
| MD119-P0410-S02 | 4 | 2 | 51.2 | MD119-P1210-S30 | 12 | 30 | 188 |
| MD119-P0610 | 6 | 0 | 51.2 | MD119-S48 | 0 | 48 | 210.8 |
| MD119-S12 | 0 | 12 | 74 | MD119-P0610-S42 | 6 | 42 | 210.8 |
| MD119-P0210-S10 | 2 | 10 | 74 | MD119-P0910-S39 | 9 | 39 | 210.8 |
| MD119-P0310-S09 | 3 | 9 | 74 | MD119-P1210-S36 | 12 | 36 | 210.8 |
| MD119-P0610-S06 | 6 | 6 | 74 | MD119-P1810-S30 | 18 | 30 | 210.8 |
| MD119-P0810-S04 | 8 | 4 | 74 | MD119-P2410-S24 | 24 | 24 | 210.8 |
| MD119-P1010-S02 | 10 | 2 | 74 | MD119-S60 | 0 | 60 | 256.4 |
| MD119-P1210 | 12 | 0 | 74 | MD119-P0610-S54 | 6 | 54 | 256.4 |
| MD119-S18 | 0 | 18 | 96.8 | MD119-P0910-S51 | 9 | 51 | 256.4 |
| MD119-P0210-S16 | 2 | 16 | 96.8 | MD119-P1210-S48 | 12 | 48 | 256.4 |
| MD119-P0410-S14 | 4 | 14 | 96.8 | MD119-S72 | 0 | 72 | 312 |
| MD119-P0610-S12 | 6 | 12 | 96.8 | MD119-P0610-S66 | 6 | 66 | 312 |
| MD119-P0810-S10 | 8 | 10 | 96.8 | MD119-P1210-S60 | 12 | 60 | 312 |
| MD119-P1010-S08 | 10 | 8 | 96.8 | MD119-P2410-S48 | 24 | 48 | 312 |
| MD119-P1210-S06 | 12 | 6 | 96.8 | MD119-P3610-S36 | 36 | 36 | 312 |
| MD119-P1410-S04 | 14 | 4 | 96.8 | MD119-S84 | 0 | 84 | 367.6 |
| MD119-P1610-S02 | 16 | 2 | 96.8 | MD119-P1210-S72 | 12 | 72 | 367.6 |
| MD119-S24 | 0 | 24 | 119.6 | MD119-P2410-S60 | 24 | 60 | 367.6 |
| MD119-P0410-S20 | 4 | 20 | 119.6 | MD119-P3610-S48 | 36 | 48 | 367.6 |
| MD119-P0610-S18 | 6 | 18 | 119.6 | MD119-S96 | 0 | 96 | 413.2 |
| MD119-P1210-S12 | 12 | 12 | 119.6 | MD119-P1210-S84 | 12 | 84 | 413.2 |
| MD119-P1810-S06 | 18 | 6 | 119.6 | MD119-P2410-S72 | 24 | 72 | 413.2 |
| MD119-P2410 | 24 | 0 | 119.6 | MD119-P3610-S60 | 36 | 60 | 413.2 |
| MD119-S30 | 0 | 30 | 142.4 | MD119-P4210-S54 | 42 | 54 | 413.2 |
| MD119-P0610-S24 | 6 | 24 | 142.4 | MD119-S108 | 0 | 108 | 458.8 |
| MD119-P1210-S18 | 12 | 18 | 142.4 | MD119-P1210-S96 | 12 | 96 | 458.8 |
| MD119-P1810-S12 | 18 | 12 | 142.4 | MD119-P2410-S84 | 24 | 84 | 458.8 |
| MD119-P2410-S06 | 24 | 6 | 142.4 | MD119-P3610-S72 | 36 | 72 | 458.8 |
| MD119-P3010 | 30 | 0 | 142.4 | MD119-P4810-S60 | 48 | 60 | 458.8 |
注:N個10A 電流環并起來可作為1路N*10A電流環使用;比如: 2環10A 并起來做作為 1路20A 使用。
10A和信號(5A) 可以任意組合,詳細請咨詢客服。可在標準產品上進行非標定制,請咨詢客服。
| 技術規格參數 | ||||
| 機械技術指標 | 電氣技術指標 | |||
| 參數 | 數值 | 參數 | 數值 | |
| 工作壽命 | 參考產品選型等級 | 功率 | 信號 | |
| 額定轉速 | 參考產品選型等級 | 額定電壓 | 0~440VAC/VDC | 0~440VAC/VDC |
| 工作溫度 | -30℃~80℃ | 絕緣電阻 | ≥1000MΩ/500VDC | ≥1000MΩ/500VDC |
| 工作濕度 | 0~85% RH | 導線規格 | 航空插頭 | 航空插頭 |
| 接觸材料 | 參考產品選型等級 | 導線長度 | 標準長度300mm(可據要求調整) | |
| 殼體材料 | 鋁合金 | 絕緣強度 | 500VAC@50Hz,60s | |
| 扭矩 | 0.1N.m;+0.03N.m/6路 | 動態電阻變化值 | <0.01Ω | |
| 防護等級 | IP51 | |||
| 各環路導線色碼表 | |||
| 環道 | 顏色 | 環道 | 顏色 |
| 1 | 黑 | 7 | 黑 |
| 2 | 紅 | 8 | 紅 |
| 3 | 黃 | 9 | 黃 |
| 4 | 綠 | 10 | 綠 |
| 5 | 藍 | 11 | 藍 |
| 6 | 白 | 12 | 白 |
(6個顏色為一組,分別序號1...6, 下一組從7...12, 重復前6個顏色, 每組用號碼管作為組序號標識。)