

型號訂購說明:

| 產品等級選型表 | |||
| 產品等級代號 | 最高轉速 | 工作壽命 | 接觸材料 |
| VC | 200RPM | 1500萬轉 | 貴金屬 |
| VD | 600RPM | 8000萬轉 | 金合金 |
| VH | 1000RPM | 1.5億轉 | 鍍金-鍍金 |
| 技術規格參數 | ||||
| 機械技術指標 | 電氣技術指標 | |||
| 參數 | 數值 | 參數 | 數值 | |
| 工作壽命 | 參考產品選型等級 | 功率 | 信號 | |
| 額定轉速 | 參考產品選型等級 | 額定電壓 | 0~440VAC/VDC | 0~440VAC/VDC |
| 工作溫度 | -30℃~80℃ | 絕緣電阻 | ≥1000MΩ/500VDC | ≥1000MΩ/500VDC |
| 工作濕度 | 0~85% RH | 導線規格 | AWG16#Teflon | AWG22#Teflon |
| 接觸材料 | 參考產品選型等級 | 導線長度 | 標準長度300mm(可據要求調整) | |
| 殼體材料 | 鋁合金 | 絕緣強度 | 500VAC@50Hz,60s | |
| 扭矩 | 0.1N.m;+0.03N.m/6rings | 動態電阻變化值 | <0.01Ω | |
| 防護等級 | IP51 | |||
選型表
| MB250F系列工業總線滑環選型表 | |||||||||
| 型號 | 10A | 信號或5A | 工業總線 | 長度L(mm) | 型號 | 10A | 信號或5A | 工業總線 | 長度L(mm) |
| MB250F-01P | 0 | 0 | Profibus ×1 | 45.2 | MB250F-01E | 0 | 0 | EtherCAT ×1 | 45.2 |
| MB250F-P0610-01P | 6 | 0 | Profibus ×1 | 65.6 | MB250F-P0610-01E | 6 | 0 | EtherCAT ×1 | 65.6 |
| MB250F-P1210-01P | 12 | 0 | Profibus ×1 | 86 | MB250F-P1210-01E | 12 | 0 | EtherCAT ×1 | 86 |
| MB250F-P0610-S06-01P | 6 | 6 | Profibus ×1 | 86 | MB250F-P0610-S06-01E | 6 | 6 | EtherCAT ×1 | 86 |
| MB250F-S12-01P | 0 | 12 | Profibus ×1 | 86 | MB250F-S12-01E | 0 | 12 | EtherCAT ×1 | 86 |
| MB250F-P1810-01P | 18 | 0 | Profibus ×1 | 106.4 | MB250F-P1810-01E | 18 | 0 | EtherCAT ×1 | 106.4 |
| MB250F-P0610-S12-01P | 6 | 12 | Profibus ×1 | 106.4 | MB250F-P0610-S12-01E | 6 | 12 | EtherCAT ×1 | 106.4 |
| MB250F-P1210-S06-01P | 12 | 6 | Profibus ×1 | 106.4 | MB250F-P1210-S06-01E | 12 | 6 | EtherCAT ×1 | 106.4 |
| MB250F-S24-01P | 0 | 24 | Profibus ×1 | 126.8 | MB250F-S24-01E | 0 | 24 | EtherCAT ×1 | 126.8 |
| MB250F-P1210-S12-01P | 12 | 12 | Profibus ×1 | 126.8 | MB250F-P1210-S12-01E | 12 | 12 | EtherCAT ×1 | 126.8 |
| MB250F-S30-01P | 0 | 30 | Profibus ×1 | 150.2 | MB250F-S30-01E | 0 | 30 | EtherCAT ×1 | 150.2 |
| MB250F-S36-01P | 0 | 36 | Profibus ×1 | 170.6 | MB250F-S36-01E | 0 | 36 | EtherCAT ×1 | 170.6 |
| MB250F-01C | 0 | 0 | CANBUS ×1 | 45.2 | MB250F-01D | 0 | 0 | DeviceNET ×1 | 45.2 |
| MB250F-P0610-01C | 6 | 0 | CANBUS ×1 | 65.6 | MB250F-P0610-01D | 6 | 0 | DeviceNET ×1 | 65.6 |
| MB250F-P1210-01C | 12 | 0 | CANBUS ×1 | 86 | MB250F-P1210-01D | 12 | 0 | DeviceNET ×1 | 86 |
| MB250F-P0610-S06-01C | 6 | 6 | CANBUS ×1 | 86 | MB250F-P0610-S06-01D | 6 | 6 | DeviceNET ×1 | 86 |
| MB250F-S12-01C | 0 | 12 | CANBUS ×1 | 86 | MB250F-S12-01D | 0 | 12 | DeviceNET ×1 | 86 |
| MB250F-P1810-01C | 18 | 0 | CANBUS ×1 | 106.4 | MB250F-P1810-01D | 18 | 0 | DeviceNET ×1 | 106.4 |
| MB250F-P0610-S12-01C | 6 | 12 | CANBUS ×1 | 106.4 | MB250F-P0610-S12-01D | 6 | 12 | DeviceNET ×1 | 106.4 |
| MB250F-P1210-S06-01C | 12 | 6 | CANBUS ×1 | 106.4 | MB250F-P1210-S06-01D | 12 | 6 | DeviceNET ×1 | 106.4 |
| MB250F-S24-01C | 0 | 24 | CANBUS ×1 | 126.8 | MB250F-S24-01D | 0 | 24 | DeviceNET ×1 | 126.8 |
| MB250F-P1210-S12-01C | 12 | 12 | CANBUS ×1 | 126.8 | MB250F-P1210-S12-01D | 12 | 12 | DeviceNET ×1 | 126.8 |
| MB250F-S30-01C | 0 | 30 | CANBUS ×1 | 150.2 | MB250F-S30-01D | 0 | 30 | DeviceNET ×1 | 150.2 |
| MB250F-S36-01C | 0 | 36 | CANBUS ×1 | 170.6 | MB250F-S36-01D | 0 | 36 | DeviceNET ×1 | 170.6 |
| MB250F-01N | 0 | 0 | CANOPEN ×1 | 45.2 | MB250F-01F | 0 | 0 | ProfiNET ×1 | 45.2 |
| MB250F-P0610-01N | 6 | 0 | CANOPEN ×1 | 65.6 | MB250F-P0610-01F | 6 | 0 | ProfiNET ×1 | 65.6 |
| MB250F-P1210-01N | 12 | 0 | CANOPEN ×1 | 86 | MB250F-P1210-01F | 12 | 0 | ProfiNET ×1 | 86 |
| MB250F-P0610-S06-01N | 6 | 6 | CANOPEN ×1 | 86 | MB250F-P0610-S06-01F | 6 | 6 | ProfiNET ×1 | 86 |
| MB250F-S12-01N | 0 | 12 | CANOPEN ×1 | 86 | MB250F-S12-01F | 0 | 12 | ProfiNET ×1 | 86 |
| MB250F-P1810-01N | 18 | 0 | CANOPEN ×1 | 106.4 | MB250F-P1810-01F | 18 | 0 | ProfiNET ×1 | 106.4 |
| MB250F-P0610-S12-01N | 6 | 12 | CANOPEN ×1 | 106.4 | MB250F-P0610-S12-01F | 6 | 12 | ProfiNET ×1 | 106.4 |
| MB250F-P1210-S06-01N | 12 | 6 | CANOPEN ×1 | 106.4 | MB250F-P1210-S06-01F | 12 | 6 | ProfiNET ×1 | 106.4 |
| MB250F-S24-01N | 0 | 24 | CANOPEN ×1 | 126.8 | MB250F-S24-01F | 0 | 24 | ProfiNET ×1 | 126.8 |
| MB250F-P1210-S12-01N | 12 | 12 | CANOPEN ×1 | 126.8 | MB250F-P1210-S12-01F | 12 | 12 | ProfiNET ×1 | 126.8 |
| MB250F-S30-01N | 0 | 30 | CANOPEN ×1 | 150.2 | MB250F-S30-01F | 0 | 30 | ProfiNET ×1 | 150.2 |
| MB250F-S36-01N | 0 | 36 | CANOPEN ×1 | 170.6 | MB250F-S36-01F | 0 | 36 | ProfiNET ×1 | 170.6 |
| MB250F-01K | 0 | 0 | CC-LINK ×1 | 45.2 | MB250F-P0610-S12-01K | 6 | 12 | CC-LINK ×1 | 106.4 |
| MB250F-P0610-01K | 6 | 0 | CC-LINK ×1 | 65.6 | MB250F-P1210-S06-01K | 12 | 6 | CC-LINK ×1 | 106.4 |
| MB250F-P1210-01K | 12 | 0 | CC-LINK ×1 | 86 | MB250F-S24-01K | 0 | 24 | CC-LINK ×1 | 126.8 |
| MB250F-P0610-S06-01K | 6 | 6 | CC-LINK ×1 | 86 | MB250F-P1210-S12-01K | 12 | 12 | CC-LINK ×1 | 126.8 |
| MB250F-S12-01K | 0 | 12 | CC-LINK ×1 | 86 | MB250F-S30-01K | 0 | 30 | CC-LINK ×1 | 150.2 |
| MB250F-P1810-01K | 18 | 0 | CC-LINK ×1 | 106.4 | MB250F-S36-01K | 0 | 36 | CC-LINK ×1 | 170.6 |
注:N個10A 電流環并起來可作為1路N*10A電流環使用;比如: 2環10A 并起來做作為 1路20A 使用。
10A和信號(5A) 可以任意組合,詳細請咨詢客服。可在標準產品上進行非標定制,請咨詢客服。
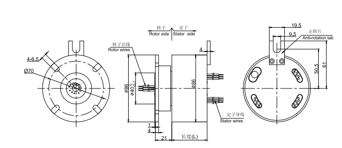
標準圖紙
| 各環路導線色碼表 | |||
| 環道 | 顏色 | 環道 | 顏色 |
| 1 | 黑 | 7 | 黑 |
| 2 | 紅 | 8 | 紅 |
| 3 | 黃 | 9 | 黃 |
| 4 | 綠 | 10 | 綠 |
| 5 | 藍 | 11 | 藍 |
| 6 | 白 | 12 | 白 |
(6個顏色為一組,分別序號1...6, 下一組從7...12, 重復前6個顏色, 每組用號碼管作為組序號標識。)