型號訂購說明:

| 產品等級選型表 | |||
| 產品等級代號 | 最高轉速 | 工作壽命 | 密封件 |
| VC | 100RPM | 1000萬轉 | 國內知名品牌密封件 |
| VD | 300RPM | 3000萬轉 | 進口密封件 |
| 技術規格參數 | ||||
| 旋轉接頭部分技術指標 | 機械技術指標 | |||
| 參數 | 數值 | 參數 | 數值 | |
| 通道數 | 6進6出 | 工作壽命 | 參考產品選型等級 | |
| 最大壓力 | 10MPa(可定制高壓),真空0.01torr | 額定轉速 | 參考產品選型等級 | |
| 扭矩 | 與接口尺寸相關,詳細咨詢技術 | 工作溫度 | -30℃~80℃ | |
| 電氣技術指標 | 工作濕度 | 0~85% RH | ||
| 參數 | 數值 | 接觸材料 | 貴金屬 | |
| 功率 | 信號 | 殼體材料 | 鋁合金 | |
| 額定電壓 | 0~240VAC/VDC | 0~240VAC/VDC | 防護等級 | IP51 |
| 絕緣電阻 | ≥1000MΩ/500VDC | ≥1000MΩ/500VDC | ||
| 導線規格 | AWG28#Teflon | AWG28#Teflon | ||
| 導線長度 | 標準長度300mm(可據要求調整) | |||
| 絕緣強度 | 500VAC@50Hz,60s | |||
| 動態電阻變化值 | <0.01Ω | |||
選型表
|
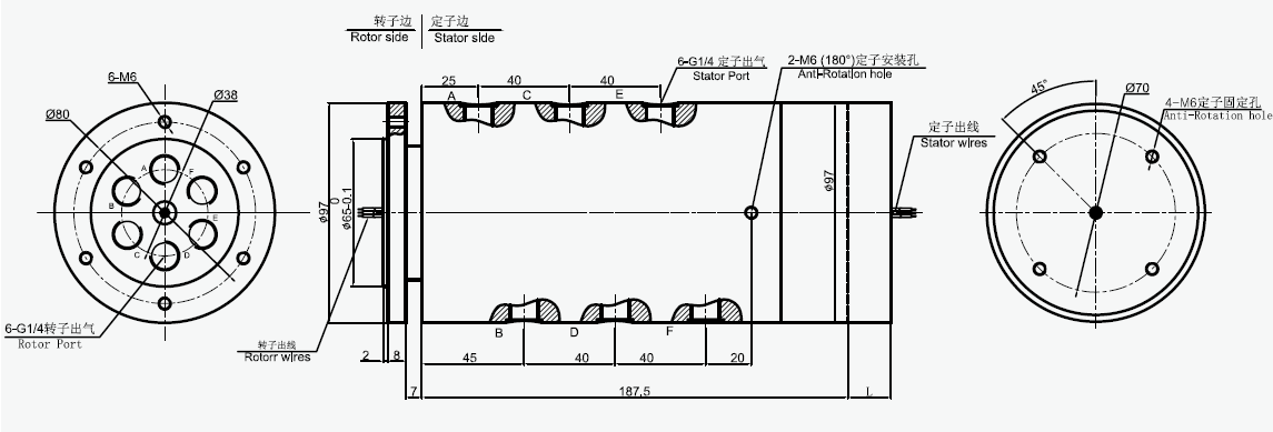
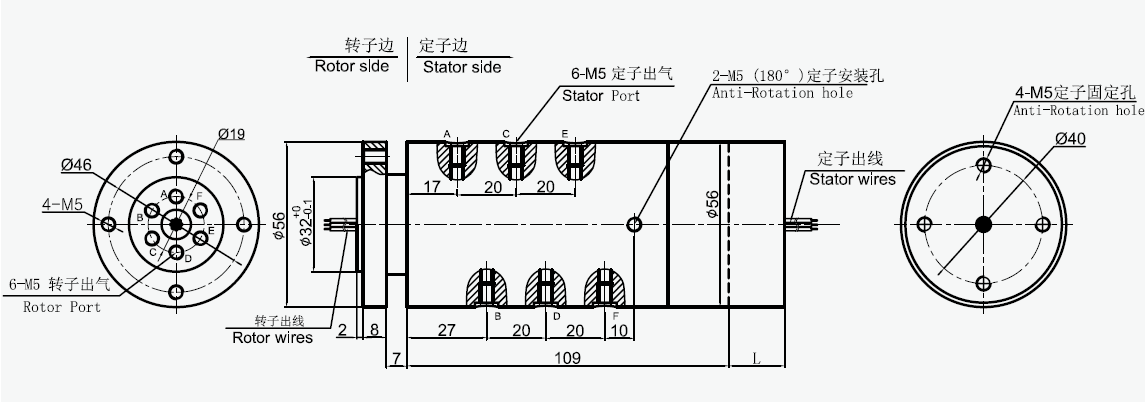
MAPH600S-XX 氣液電一體滑環選型表 1)XX=01,接口尺寸=M5, 氣管規格3~6mm 2)XX=02,接口尺寸=G1/8,氣管規格3~10mm 3)XX=03,接口尺寸=G1/4,氣管規格3~12mm 4)XX=04,接口尺寸=G3/8,氣管規格3~16mm 5)XX=05,接口尺寸=G1/2,氣管規格3~20mm |
||||
| 型號 | 氣(液)通 | 10A | 信號或5A | 長度L(mm) |
| MAPH600S-XX-S06 | 6進6出 | 0 | 6 | 19 |
| MAPH600S-XX-S12 | 6進6出 | 0 | 12 | 26 |
| MAPH600S-XX-S18 | 6進6出 | 0 | 18 | 33 |
| MAPH600S-XX-S24 | 6進6出 | 0 | 24 | 43.6 |
| MAPH600S-XX-S36 | 6進6出 | 0 | 36 | 57.3 |
| MAPH600S-XX-S56 | 6進6出 | 0 | 56 | 85.7 |
注:N個10A 電流環并起來可作為1路N*10A電流環使用;比如: 2環10A 并起來做作為 1路20A 使用。
10A和信號(5A) 可以任意組合,詳細請咨詢客服。可在標準產品上進行非標定制,請咨詢客服。
標準圖紙