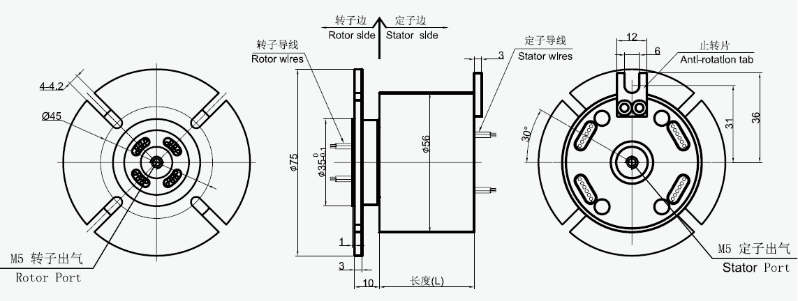
型號訂購說明:

| 產品等級選型表 | |||
| 產品等級代號 | 最高轉速 | 工作壽命 | 密封件 |
| VC | 100RPM | 1000萬轉 | 國內知名品牌密封件 |
| VD | 300RPM | 3000萬轉 | 進口密封件 |
| 技術規格參數 | ||||
| 旋轉接頭部分技術指標 | 機械技術指標 | |||
| 參數 | 數值 | 參數 | 數值 | |
| 通道數 | 1進1出 | 工作壽命 | 參考產品選型等級 | |
| 最大壓力 | 10MPa(可定制高壓),真空0.01torr | 額定轉速 | 參考產品選型等級 | |
| 扭矩 | 與接口尺寸相關,詳細咨詢技術 | 工作溫度 | -30℃~80℃ | |
| 電氣技術指標 | 工作濕度 | 0~85% RH | ||
| 參數 | 數值 | 接觸材料 | 貴金屬 | |
| 功率 | 信號 | 殼體材料 | 鋁合金 | |
| 額定電壓 | 0~440VAC/VDC | 0~440VAC/VDC | 防護等級 | IP51 |
| 絕緣電阻 | ≥1000MΩ/500VDC | ≥1000MΩ/500VDC | ||
| 導線規格 | AWG16#Teflon | AWG22#Teflon | ||
| 導線長度 | 標準長度300mm(可據要求調整) | |||
| 絕緣強度 | 500VAC@50Hz,60s | |||
| 動態電阻變化值 | <0.01Ω | |||
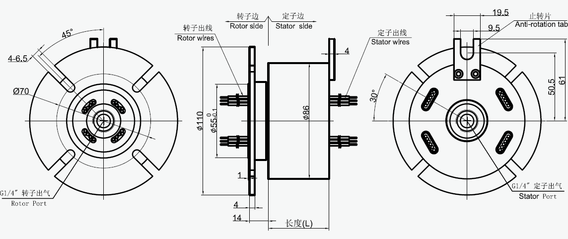
型號訂購說明:

| 產品等級選型表 | |||
| 產品等級代號 | 最高轉速 | 工作壽命 | 密封件 |
| VC | 100RPM | 1000萬轉 | 國內知名品牌密封件 |
| VD | 300RPM | 3000萬轉 | 進口密封件 |
| 技術規格參數 | ||||
| 旋轉接頭部分技術指標 | 機械技術指標 | |||
| 參數 | 數值 | 參數 | 數值 | |
| 通道數 | 1進1出 | 工作壽命 | 參考產品選型等級 | |
| 最大壓力 | 10MPa(可定制高壓),真空0.01torr | 額定轉速 | 參考產品選型等級 | |
| 扭矩 | 與接口尺寸相關,詳細咨詢技術 | 工作溫度 | -30℃~80℃ | |
| 電氣技術指標 | 工作濕度 | 0~85% RH | ||
| 參數 | 數值 | 接觸材料 | 貴金屬 | |
| 功率 | 信號 | 殼體材料 | 鋁合金 | |
| 額定電壓 | 0~440VAC/VDC | 0~440VAC/VDC | 防護等級 | IP51 |
| 絕緣電阻 | ≥1000MΩ/500VDC | ≥1000MΩ/500VDC | ||
| 導線規格 | AWG16#Teflon | AWG22#Teflon | ||
| 導線長度 | 標準長度300mm(可據要求調整) | |||
| 絕緣強度 | 500VAC@50Hz,60s | |||
| 動態電阻變化值 | <0.01Ω | |||
選型表
|
MAPH100-01, MAPH100-02氣液電一體滑環選型表 1)XX=01 接口尺寸M5 2)XX=02 接口尺寸G1/8 |
|||||||||
| 型號 | 氣(液)通 | 10A | 信號或5A | 長度L(mm) | 型號 | 氣(液)通 | 10A | 信號或5A | 長度L(mm) |
| MAPH100-XX-S06 | 1進1出 | 0 | 6 | 38 | MAPH100-XX-P0810-S10 | 1進1出 | 8 | 10 | 71.6 |
| MAPH100-XX-P0210-S04 | 1進1出 | 2 | 4 | 38 | MAPH100-XX-P1010-S08 | 1進1出 | 10 | 8 | 71.6 |
| MAPH100-XX-P0410-S02 | 1進1出 | 4 | 2 | 38 | MAPH100-XX-P1210-S06 | 1進1出 | 12 | 6 | 71.6 |
| MAPH100-XX-P0610 | 1進1出 | 6 | 0 | 38 | MAPH100-XX-P1410-S04 | 1進1出 | 14 | 4 | 71.6 |
| MAPH100-XX-S12 | 1進1出 | 12 | 0 | 54.8 | MAPH100-XX-P1610-S02 | 1進1出 | 16 | 2 | 71.6 |
| MAPH100-XX-P0210-S10 | 1進1出 | 2 | 10 | 54.8 | MAPH100-XX-S24 | 1進1出 | 0 | 24 | 88.4 |
| MAPH100-XX-P0310-S09 | 1進1出 | 3 | 9 | 54.8 | MAPH100-XX-P0410-S20 | 1進1出 | 4 | 20 | 88.4 |
| MAPH100-XX-P0610-S06 | 1進1出 | 6 | 6 | 54.8 | MAPH100-XX-P0610-S18 | 1進1出 | 6 | 18 | 88.4 |
| MAPH100-XX-P0810-S04 | 1進1出 | 8 | 4 | 54.8 | MAPH100-XX-P1210-S12 | 1進1出 | 12 | 12 | 88.4 |
| MAPH100-XX-P1010-S02 | 1進1出 | 10 | 2 | 54.8 | MAPH100-XX-S30 | 1進1出 | 0 | 30 | 105.2 |
| MAPH100-XX-P1210 | 1進1出 | 12 | 0 | 54.8 | MAPH100-XX-P0610-S24 | 1進1出 | 6 | 24 | 105.2 |
| MAPH100-XX-S18 | 1進1出 | 0 | 18 | 71.6 | MAPH100-XX-S36 | 1進1出 | 0 | 36 | 125 |
| MAPH100-XX-P0210-S16 | 1進1出 | 2 | 16 | 71.6 | MAPH100-XX-S42 | 1進1出 | 0 | 42 | 141.8 |
| MAPH100-XX-P0410-S14 | 1進1出 | 4 | 14 | 71.6 | MAPH100-XX-S48 | 1進1出 | 0 | 48 | 158.6 |
| MAPH100-XX-P0610-S12 | 1進1出 | 6 | 12 | 71.6 | |||||
注:N個10A 電流環并起來可作為1路N*10A電流環使用;比如: 2環10A 并起來做作為 1路20A 使用。
10A和信號(5A) 可以任意組合,詳細請咨詢客服。可在標準產品上進行非標定制,請咨詢客服。
|
MAPH100-03, MAPH100-04, MAPH100-05氣液電一體滑環選型表 1)XX=03 接口尺寸G1/4 2)XX=04 接口尺寸G3/8 3)XX=05 接口尺寸G1/2 |
|||||||||
| 型號 | 氣(液)通 | 10A | 信號或5A | 長度L(mm) | 型號 | 氣(液)通 | 10A | 信號或5A | 長度L(mm) |
| MAPH100-XX-S06 | 1進1出 | 0 | 6 | 45.2 | MAPH100-XX-S36 | 1進1出 | 0 | 36 | 150.2 |
| MAPH100-XX-P0210-S04 | 1進1出 | 2 | 4 | 45.2 | MAPH100-XX-P0610-S30 | 1進1出 | 6 | 30 | 150.2 |
| MAPH100-XX-P0410-S02 | 1進1出 | 4 | 2 | 45.2 | MAPH100-XX-P1210-S24 | 1進1出 | 12 | 24 | 150.2 |
| MAPH100-XX-P0610 | 1進1出 | 6 | 0 | 45.2 | MAPH100-XX-P3610 | 1進1出 | 36 | 0 | 150.2 |
| MAPH100-XX-S12 | 1進1出 | 0 | 12 | 65.6 | MAPH100-XX-S42 | 1進1出 | 0 | 42 | 170.6 |
| MAPH100-XX-P0210-S10 | 1進1出 | 2 | 10 | 65.6 | MAPH100-XX-P0610-S36 | 1進1出 | 6 | 36 | 170.6 |
| MAPH100-XX-P0310-S09 | 1進1出 | 3 | 9 | 65.6 | MAPH100-XX-P1210-S30 | 1進1出 | 12 | 30 | 170.6 |
| MAPH100-XX-P0610-S06 | 1進1出 | 6 | 6 | 65.6 | MAPH100-XX-P4210 | 1進1出 | 42 | 0 | 170.6 |
| MAPH100-XX-P0810-S04 | 1進1出 | 8 | 4 | 65.6 | MAPH100-XX-S48 | 1進1出 | 0 | 48 | 191 |
| MAPH100-XX-P1010-S02 | 1進1出 | 10 | 2 | 65.6 | MAPH100-XX-P0610-S42 | 1進1出 | 6 | 42 | 191 |
| MAPH100-XX-P1210 | 1進1出 | 12 | 0 | 65.6 | MAPH100-XX-P1210-S36 | 1進1出 | 12 | 36 | 191 |
| MAPH100-XX-S18 | 1進1出 | 0 | 18 | 86 | MAPH100-XX-P1810-S30 | 1進1出 | 18 | 30 | 191 |
| MAPH100-XX-P0210-S16 | 1進1出 | 2 | 16 | 86 | MAPH100-XX-P2410-S24 | 1進1出 | 24 | 24 | 191 |
| MAPH100-XX-P0410-S14 | 1進1出 | 4 | 14 | 86 | MAPH100-XX-P4810 | 1進1出 | 48 | 0 | 191 |
| MAPH100-XX-P0610-S12 | 1進1出 | 6 | 12 | 86 | MAPH100-XX-S60 | 1進1出 | 0 | 60 | 231.8 |
| MAPH100-XX-P0810-S10 | 1進1出 | 8 | 10 | 86 | MAPH100-XX-P0610-S54 | 1進1出 | 6 | 54 | 231.8 |
| MAPH100-XX-P1010-S08 | 1進1出 | 10 | 8 | 86 | MAPH100-XX-P0910-S51 | 1進1出 | 9 | 51 | 231.8 |
| MAPH100-XX-P1210-S06 | 1進1出 | 12 | 6 | 86 | MAPH100-XX-P1210-S48 | 1進1出 | 12 | 48 | 231.8 |
| MAPH100-XX-P1410-S04 | 1進1出 | 14 | 4 | 86 | MAPH100-XX-P2410-S36 | 1進1出 | 24 | 36 | 231.8 |
| MAPH100-XX-P1610-S02 | 1進1出 | 16 | 2 | 86 | MAPH100-XX-S72 | 1進1出 | 0 | 72 | 275.6 |
| MAPH100-XX-S24 | 1進1出 | 0 | 24 | 106.4 | MAPH100-XX-P1210-S60 | 1進1出 | 12 | 60 | 275.6 |
| MAPH100-XX-P0410-S20 | 1進1出 | 4 | 20 | 106.4 | MAPH100-XX-P2410-S48 | 1進1出 | 24 | 48 | 275.6 |
| MAPH100-XX-P0610-S18 | 1進1出 | 6 | 18 | 106.4 | MAPH100-XX-P3610-S36 | 1進1出 | 36 | 36 | 275.6 |
| MAPH100-XX-P1210-S12 | 1進1出 | 12 | 12 | 106.4 | MAPH100-XX-S84 | 1進1出 | 0 | 84 | 316.4 |
| MAPH100-XX-P1810-S06 | 1進1出 | 18 | 6 | 106.4 | MAPH100-XX-P1210-S72 | 1進1出 | 12 | 72 | 316.4 |
| MAPH100-XX-P2410 | 1進1出 | 24 | 0 | 106.4 | MAPH100-XX-P2410-S60 | 1進1出 | 24 | 60 | 316.4 |
| MAPH100-XX-S30 | 1進1出 | 0 | 30 | 126.8 | MAPH100-XX-P3610-S48 | 1進1出 | 36 | 48 | 316.4 |
| MAPH100-XX-P0610-S24 | 1進1出 | 6 | 24 | 126.8 | MAPH100-XX-S96 | 1進1出 | 0 | 96 | 357.2 |
| MAPH100-XX-P1210-S18 | 1進1出 | 12 | 18 | 126.8 | MAPH100-XX-P1210-S84 | 1進1出 | 12 | 84 | 357.2 |
| MAPH100-XX-P1810-S12 | 1進1出 | 18 | 12 | 126.8 | MAPH100-XX-P2410-S72 | 1進1出 | 24 | 72 | 357.2 |
| MAPH100-XX-P2410-S06 | 1進1出 | 24 | 6 | 126.8 | MAPH100-XX-P3610-S60 | 1進1出 | 36 | 60 | 357.2 |
| MAPH100-XX-P3010 | 1進1出 | 30 | 0 | 126.8 | MAPH100-XX-P4210-S54 | 1進1出 | 36 | 60 | 357.2 |
注:N個10A 電流環并起來可作為1路N*10A電流環使用;比如: 2環10A 并起來做作為 1路20A 使用。
10A和信號(5A) 可以任意組合,詳細請咨詢客服。可在標準產品上進行非標定制,請咨詢客服。
標準圖紙